产品类型:
产品型号:
声明: 柯力传感保留更改产品设计、规格、参数的权利及资料信息的最终 解释权。欲了解更多关于柯力产品的信息,请致电柯力公司,索取更多详 细的技术资料。
WCPS300S系列表2088表头压力传感器,是基于威勤电子自研SensorEdge智能传感器平台开发的智能压力传感器。产品内部采用精密的电子元件和独特的电路设计,能够快速感知压力变化,并将感知变化量迅速转成电信号稳定输出,同时加入算法补偿,更加精准、稳定可靠,广泛应用于各类场景对气压、液压的精准测量,能够快速兼容接入市场上各种物联网系统当中。
功能特点:
1、抗过载和耐冲击能力强;
2、输出多种方式选择,电压、电流、RS485、NB-LOT、LoRa、4G可选;
3、进口压力芯体,精度高,长期稳定;
4、铸铝外壳,防爆、防晒,适合户外复杂环境使用;
5、全温区温补,良好的电气性能及长期稳定性;
6、高灵敏度、高精度、热稳定性好;
应用场景:
主要应用在水、油、气等压力自动化测量和监控网络系统
技术参数:
供电电压:12~24V DV 或锂电池供电
通讯间隔: 60秒 数值可设
量程:0~25MPa(可定制)
稳定性:0.3%FS/年
工作温度:-40~85℃
储存温度:-40~125℃
精度等级:0.5%、0.2%、0.1%、0.075% 可选
防护等级:IP67
输出信号:0-5V/0-10V/4-20mA/RS485/NB-LOT/LoRa/4G可选
过载压力:150%FS(25MPa 以上)200%FS(10MPa 以下)
振动:10Grms,(20~2000)Hz
抗冲击:100G,11ms
响应时间:小于1ms(@ 90%FS)
介质适应性:对304不锈钢无腐蚀的各种流体供电电压:12~24V DC
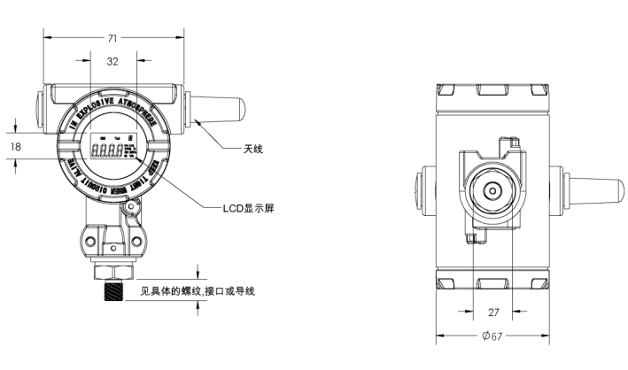
外观尺寸:

