产品类型: 半导体气体传感器模组
产品型号: MGK-14D
声明: 柯力传感保留更改产品设计、规格、参数的权利及资料信息的最终 解释权。欲了解更多关于柯力产品的信息,请致电柯力公司,索取更多详 细的技术资料。

产品概述:
MGK-14D型空气质量模组采用先进的片式厚膜半导体气敏元件,该气敏元件对甲醛、苯、一氧化碳、氨气、氢气、酒精、香烟烟雾、香精等有机挥发气体具有极高的灵敏度,模组经过老化、调试、标定、校准,具有良好的一致性以及极高的灵敏度。
检测气体种类:甲醛、苯、一氧化碳、甲烷、氢气、香烟、木材、纸张、酒、硫化氢、燃气、甲烷、丙烷等可挥发性气体
特点:
➢ 快速响应
➢ 数字信号输出、应用简单
➢ 长寿命(~ 5 年)
➢ 长期稳定性
➢ 可根据要求调整模块灵敏度
主要应用:
➢ 民用、工业及环保中甲醛的检测
➢ 物联网、可穿戴设备
➢ 智能家居
技术指标:
型号 | MGK-14D空气质量模组 |
传感器接口 | XH2.54-4插座 |
检测气体 | 甲醛、苯、一氧化碳、甲烷、氢气、香烟、木材、纸张、酒等可挥发性气体 |
输出数据 | 4等级TTL电平 |
输出电压 |
5.0±0.2V DC(无电压反接保护)
|
工作电流 | ≤60mA |
响应时间 | ≤15s |
预热时间 | ≤120S |
回复时间 | ≤60S |
工作温度 | -10°-70° |
工作湿度 | ≤90%RH |
存储湿度 | ≤60%RH |
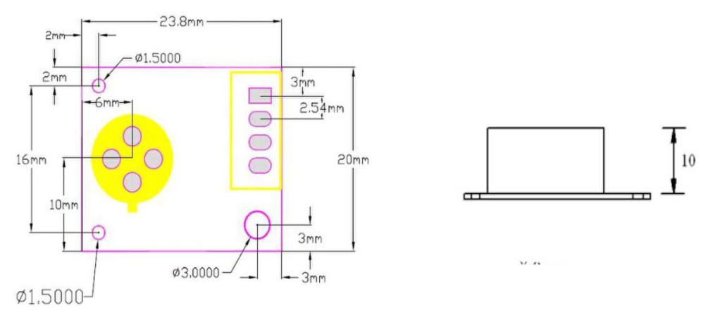
外形尺寸 | 24x20x1.5mm L*W*H |
重量 | ≤20g |
使用寿命 | 5年 |
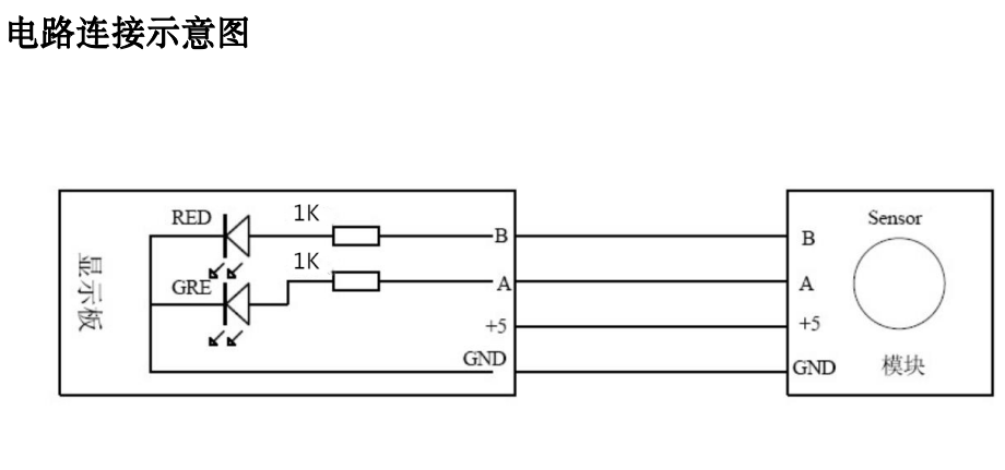
端口定义:
端口名 | 接口用途 |
端口1 | 接电源负极(-) |
端口2 | 接电源正极(+) |
端口3 | A |
端口4 | B |
输出信号定义
污染等级 | A | B |
0 | 0 | 0 |
1 | +5V | 0 |
2 | 0 | +5V |
3 | +5V | +5V |
模组尺寸:


注意事项:
1、模组避免接触有机溶剂(包括硅胶及其它胶粘剂)、涂料、药剂、油类及高浓度气体。
2、模组不可经受过度的撞击或震动。
3、模组初次上电使用需预热 5 分钟以上。
4、请勿将该模组应用于涉及人身安全的系统中。
5、请勿将模组安装在强空气对流环境下使用。
6、请勿将模组长时间放置于高浓度有机气体中。
7、请严格按照模组的供电电压给模组进行供电,电压超过 5.5V 会导致模组不可逆转的损坏。