产品类型: 民用电化学气体传感器
产品型号: GM3
声明: 柯力传感保留更改产品设计、规格、参数的权利及资料信息的最终 解释权。欲了解更多关于柯力产品的信息,请致电柯力公司,索取更多详 细的技术资料。

本公司生产的电化学式甲醛气体传感器是真正能够连续监测的传感器,而不需要任何的气体采样或者采用气泵抽取。适合于绝大多数的环境(-20℃~+50℃)监测使用(如有特殊介绍,可应用于更高的温度中)。这款传感器有五大设计结构特点:
1、低成本
设计构造简单以及很少的部件使得其成本得到降低,从而形成更有竞争力的价格。
2、长寿命
它使用的是在世界范围内已经有30多年使用经验的呼吸酒精传感器的元件结合工业电化学毒气传感器原理设计而成。而呼吸酒精传感器的精度,稳定性和长久性都是已经得到了验证。同时采用工业电化学毒气传感器的设计使传感器更能适应各种极端条件如高温高湿及低温低湿环境。
3、响应快速
一条短小且低阻抗的扩散路径使其响应时间很少。
4、电源要求低
燃料电池原理意味着它并不需要电源激励,仅仅在信号的处理和显示时需要电能,所以仅仅一个简单的小电池单元即可。
5、稳定性
非常好的稳定性,允许在使用过程中非常长的校准周期。
规格:
测量气体 | 甲醛CH2O |
量程 | 0~5ppm |
过载能力 | 10ppm |
过滤膜 | 玻璃纤维 |
检测寿命 | 3年(在无腐蚀性气体中) |
输出信号 | 600~1500nA/ppm |
温度范围 | -20~50℃ |
压力范围 | 标准大气压±10% |
分辨率 | 0.01ppm |
响应时间(T90) | <30s |
长期输出漂移 | 每年<10% |
重复性 | ≤±2% |
输出线性 | 线性 |
温度漂移 | 0.35%/℃ |
重量 | 5g |
尺寸 | 见尺寸图 |
产品结构图:

工作原理
传感器内部包含一个常规的两电极燃料电池传感器。工作电极通过外电路将电子释放到计数电极,并且在计数电极端随着氧的减少而消耗,内电路由电解液中的离子流来实现。设计精良,便于电解液的消长。电解液的消长随环境温度和湿度的变化而变化,但是仍可正常工作不会影响到校准值。
传感器电路
甲醛传感器输出的电流值于空气中从0到高浓度的甲醛浓度呈线性关系。
输出信号需要根据精确度要求进行放大和温度补偿。
信号放大
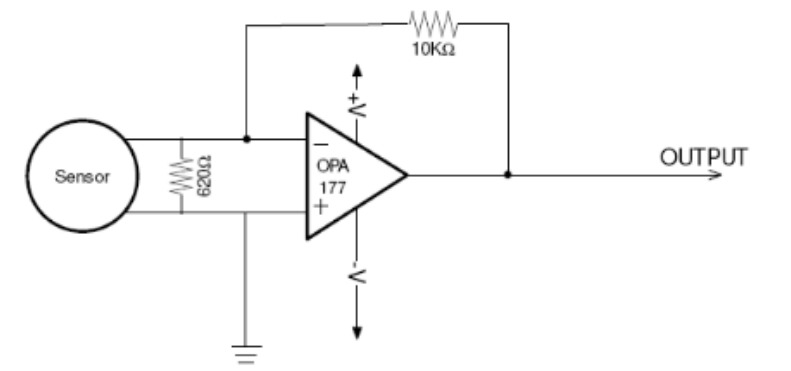
输出信号放大的首选方法是使用一个直接的电流到电压放大的运算放大器。这样的话传感器将工作在其最好的模式下。得到的信号值取决于反馈电阻的大小;比方说使用1000欧姆的电阻值,那么一个输出为5nA的信号将会转化为5mV的输出信号。
因为在开路状态传感器可能会逐渐引起偏移,虽然不会对产品有损伤,但是也要花费时间去放电。所以在储藏期间一般将输出端子进行短路处理,这样就不会出现明显的长期的偏移量。
在使用过程中,为了避免在放大器被断开的时候偏移量的增加,可以在两端子之间连接一个低阻值的电阻(典型值为620欧姆)。另外,也可将放大器持续供电。
下面给出典型的应用电路:

在高精度测量中反馈电阻应为470K,同时并联一个4.7μF的钽电容在没有反向响应时间的情况下降噪。
注意:
该电路使用的是双路电源,这样能得到最佳效果。在这个电路(以及类似的电路)里面,运算放大器我们推荐使用Burr-Brown的OPA177。另外,也可以选用低功率而且噪声非常微小的OPA241。这两种型号的器件本身的漂移量都很小,灵敏度又非常高,而且很容易加入到偏移整顿电路中去消除剩余的漂移量。
我们已经完成了使用类似OP90这种专用的运算放大器的单路供电电路的研究,并不推荐使用。如果采用3V供电的话,我们推荐使用诸如ICL7660这样的IC产生的负电源。
温度补偿
本传感器的温度漂移率为0.35%每摄氏度(-20℃~50℃)。
如果需要的测量精度很高,那么就需要给电路中加入温度补偿的部分。一般来说,在简单电路里面,我们可以通过在运算放大器的反馈回路中适当的加入一个热敏电阻来实现(该热敏电阻可以通过与其他的电阻的串并联进行修正)。如果使用微处理器电路的话,在软件的控制下,热敏电阻补偿会更加精确。
温度依赖性有两个部分:
1.气体的扩散率随温度的增长而增长。
2.低温下,电解质的功效将会明显削弱,这将成为决定比率的因素。
线性
甲醛传感器的线性至少为10ppm 。
灵敏度
灵敏度取决于传感器表面的通路孔径的大小;孔径越大,扩散到传感器中的气体就越多,信号也就越强。标准的(最小实际孔径)单一中心孔径的直径为1mm,也可以根据客户的需求进行订制。选择孔径要考虑到能够产生合适的信噪比,但是也要避免气体样品过量,否则会导致输出非线性,反应迟缓以及气体清洗不干净等问题出现。
交叉干扰特性
气体 | 浓度/PPM | HCHO等同浓度/PPM |
甲醛 | 5 | 5 |
苯 | 10 | 0.1 |
甲苯 | 10 | 0.46 |
乙酸 | 200 | 0.52 |
酒精 | 100 | 40.6 |
硫化氢 | 50 | 3 |
一氧化碳 | 200 | 0.64 |
注意事项
1.安装2.54mm接插针焊接时应快速完成上锡焊接,避免烙铁长时间高温对传感器结构造成破坏;
2.使用前老化时间不少于 12小时;
3.电解液泄漏会造成损害,请勿随意拆解传感器;
4.传感器避免接触有机溶剂(包括硅橡胶及其它胶粘剂)、涂料、药剂、油类及高浓度气体;
5.所有电化学传感器不可用树脂材料完全封装,也不可浸没在无氧环境中,否则会损坏传感器的性能;
6.所有电化学传感器不能长时间应用于含有腐蚀性气体的环境中,腐蚀性气体会损害传感器;
7.气体零点测定时,须在洁净的大气中进行;
8.传感器测试和应用时,须避免正面垂直进气;
9.传感器的进气面不得阻塞、不得污染;
10.传感器上方防水透气膜严禁揭开、人为损坏;
11.传感器不可过度的撞击或震动;
12.外壳有破损、变形等情况下请不要使用;
13.高浓度的气体环境中长时间使用后,传感器恢复到初期状态较缓慢;
14.传感器贮存时工作电极与对电极应处于短路状态;
15.禁止用热熔胶或者固化温度高于 80℃以上的密封胶封装传感器;
16.禁止长时间在高浓度碱性气体中存放和使用。