产品类型: 片式半导体
产品型号: GK5
声明: 柯力传感保留更改产品设计、规格、参数的权利及资料信息的最终 解释权。欲了解更多关于柯力产品的信息,请致电柯力公司,索取更多详 细的技术资料。
产品概述:
GK5氨气传感器具有灵敏度高、成本低、寿命长、功耗低等优点,是一款针对氨气检测的气体传感器。
GK5 氨气传感器属于金属氧化物平面半导体型传感器,由纳米级SnO 2粉体及适量催化剂掺杂烧结而成。当空气中出现微量还原性污染气体时,传感器的电导会升高。电导的变化量随污染气体的浓度增大而增大。通过电导变化量的大小,传感器可以感知空气氨气气体程度。例如当室内出现粪便或腐烂臭味的分子时,传感器就能产生电导变化。利用传感器的这种敏感特性,再通过简单的单片机控制,就能实现智能启动排风通风设备,从而达到智能净化室内空气的效果。
GK5氨气传感器具有非常广泛的应用场合,例如家庭、饭 /酒店、旅馆、养殖场、公厕等。这些场合会经常出现氨气等空气污染物,在这种情况下智能空气净化系统就能自动启动。还可以广泛适用于物联网,用于感应物联网内某空间的空气质量状态,并实现物联网范围内的空气质量监控。
特点:
l 低功耗
l 寿命长
l 成本低
l 体积小
l
对低浓度污染气体灵敏度高
l 应用电路简单
主要应用:
l 空气质量测试仪及模组
l 室内排气扇换气扇控制模块
l 空气质量(异味)监测模块及智能
坐便异味检测模块
l 养殖场、公共厕所异味检测自动控制模块
规格:
型号 | GK5 | ||||
封装标准 | 金属TO-05 | ||||
检测气体 | 氨气 | ||||
检测范围 | 0-100PPM(氨气) | ||||
标准回路 | 加热电压 | VH | 5.0±0.2V DC/AC | ||
标准测试条件下元件特征 | 回路电压 | VC | 5.0±0.2V DC | Ps≦15mW | |
负载电阻 | RL | 可调 | Ps≦15mW | ||
加热片电阻 | RH | 90Ω±10Ω(室温) | |||
加热片电流 | IH | 60mA | |||
加热片功耗 | PH | 240mW | |||
灵敏度变化 | ≥1V | 50PPM(氨气) | |||
标准测试条件下 | 温度、湿度 | 20±2℃,65±5%RH | |||
预热时间 | 不少于24小时 | ||||
响应时间 | ≦30s | ||||
脱附时间 | ≦60s | ||||
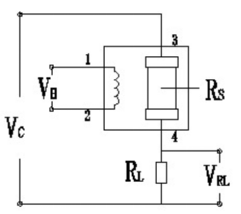
管脚定义:
平面型器件结构如图 所示。在陶瓷片上稳固加热丝,两端连接金电极引线,并在两电极之间涂覆半导体敏感材料。加热材料可以将整个陶瓷片加热至 200-400℃,使传感器达到所需的工作温度。管芯外侧的对电极则能实时地测量材料的电特性变化情况。传感器的焊接引线对应图如图 所示,引线座上有一突出记号点,紧邻该标志的 1、2引线脚为加热丝引脚,3、4引脚为传感器信号引脚。

基本电路:
传感器 1、2 管脚连接加热电路,3、4 管脚连接测量电路;在满足传感器电性能要求的 前提下,加热和测量可共用同一个电源电路。 注:请注意传感器上的突出标志,紧邻该标志的两只管脚为加热电极。

结构图:


注意事项:
1 必须避免的情况
1.1 暴露于有机硅蒸气中
如果传感器的表面吸附了有机硅蒸气,传感器的敏感材料会被包裹住,抑制传感器的敏感性,并且不可恢复。传感器要避免暴露其在硅粘接剂、发胶、硅橡胶、腻子或其它含硅塑料添加剂可能存在的地方。
1.2 高腐蚀性的环境
传感器暴露在高浓度的腐蚀性气体(如H2S,SOX,Cl2,HCl等)中,不仅会引起加热材料及传感器引线的腐蚀或破坏,并会引起敏感材料性能发生不可逆的改变。
1.3 碱、碱金属盐、卤素的污染
传感器被碱金属尤其是盐水喷雾污染后,及暴露在卤素如氟中也会引起性能劣变。
1.4 接触到水
溅上水或浸到水中会造成敏感特性下降。
1.5 结冰
水在敏感元件表面结冰会导致敏感材料碎裂而丧失敏感特性。
1.6 施加电压过高
如果给敏感元件或加热器施加的电压高于规定值,即使传感器没有受到物理损坏或破坏,也会造成引线和/或加热器损坏,并引起传感器敏感特性下降。
2 尽可能避免的情况
2.1 凝结水
在室内使用条件下,轻微凝结水会对传感器性能会产生轻微影响。但是,如果水凝结在敏感元件表面并保持一段时间,传感器特性则会下降。
2.2 处于高浓度气体中
无论传感器是否通电,在高浓度气体中长期放置,都会影响传感器特性。
2.3 长期贮存
传感器在不通电情况下长时间贮存,其电阻会产生可逆性漂移,这种漂移与贮存环境有关。传感器应贮存在有清洁空气不含硅胶的密封袋中。经长期贮存的传感器,在使用前需要长时间通电以使其达到稳定。
2.4 长期暴露在极端环境中
无论传感器是否通电,长时间暴露在极端条件下,如高湿、高温、或高污染等极端条件,传感器性能将受到严重影响。
2.5振动
频繁、过度振动会导致敏感元件引线产生共振而断裂。在运输途中及组装线上使用气动改锥/超声波焊接机会产生这种振动。
2.6 冲击
如果传感器受到强烈冲击会导致其引线断线。
2.7 使用
对传感器来说手工焊接是最理想的焊接方式。使用波峰焊是应满足以下条件:
2.7.1 助焊剂:含氯最少的松香助焊剂
2.7.2 速度:1-2米/分钟
2.7.3 预热温度:100±20℃
2.7.4 焊接温度:250±10℃
2.7.5 1次通过波峰焊机
违反以上使用条件将使传感器特性下降!