产品类型: 片式半导体
产品型号: GK4
声明: 柯力传感保留更改产品设计、规格、参数的权利及资料信息的最终 解释权。欲了解更多关于柯力产品的信息,请致电柯力公司,索取更多详 细的技术资料。
产品概述:
GK4型气体传感器是甲烷气体传感器。采用多层厚膜制造工艺,在微型陶瓷基片上的两面分别形成加热器和金属氧化物半导体气敏层,用电极引线引出,经TO-5金属外壳封装而成。当环境空气中有被检测气体存在时传感器电导率发生变化,该气体的浓度越高,传感器的电导率就越高。采用简单的电路即可将这种电导率的变化转换为与气体浓度对应的输出信号。
特点:
l 低功耗 抗酒精 抗烟
l 稳定好、寿命长
l 成本低
l 体积小
l 应用电路简单
主要应用:
● 用于家庭、工厂、商业用所的可燃气体泄漏监测
装置,防火/安全探测系统。
● 可燃气体泄漏报警器,气体检漏仪。
规格:
产品型号 | GK4 | ||
产品类型 | 平面半导体气敏元件 | ||
标准封装 | TO-5 | ||
检测气体 | 甲烷、天燃气 | ||
检测浓度 | 300-10000ppm(甲烷、天燃气) | ||
标准 电路 条件 | 回路电压 | VC | ≤24V DC |
加热电压 | VH | 5.0V±0.1V ACorDC | |
负载电阻 | RL | 可调 | |
标准 测试 条件 下气 敏元 件特 性 | 加热电阻 | RH | 55Ω±10Ω(室温) |
加热功耗 | PH | ≤320mW | |
敏感体 电 阻 | RS | 1KΩ-20KΩ(in 5000ppm 甲烷) | |
灵敏度 | S | Rs(in air)/Rs(5000ppm甲烷)≥5 | |
浓度斜率 | α | ≤0.8(R5000ppm/R3000ppm甲烷) | |
标准测试条件 | 温度、湿度 | 20℃±2℃;65%±5%RH | |
标准测试电路 | Vc:5.0V±0.1V; VH: 5.0V±0.1V | ||
预热时间 | 不少于48小时 | ||
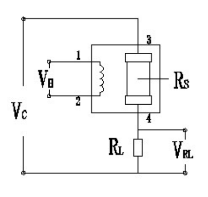
管脚定义:
平面型器件结构如图 所示。在陶瓷片上稳固加热丝,两端连接金电极引线,并在两电极之间涂覆半导体敏感材料。加热材料可以将整个陶瓷片加热至 200-400℃,使传感器达到所需的工作温度。管芯外侧的对电极则能实时地测量材料的电特性变化情况。传感器的焊接引线对应图如图 所示,引线座上有一突出记号点,紧邻该标志的 1、2引线脚为加热丝引脚,3、4引脚为传感器信号引脚。

基本测试电路:
传感器 1、2 管脚连接加热电路,3、4 管脚连接测量电路;在满足传感器电性能要求的 前提下,加热和测量可共用同一个电源电路。 注:请注意传感器上的突出标志,紧邻该标志的两只管脚为加热电极。

结构图:


注意事项:
1 必须避免的情况
1.1 暴露于有机硅蒸气中
如果传感器的表面吸附了有机硅蒸气,传感器的敏感材料会被包裹住,抑制传感器的敏感性,并且不可恢复。传感器要避免暴露其在硅粘接剂、发胶、硅橡胶、腻子或其它含硅塑料添加剂可能存在的地方。
1.2 高腐蚀性的环境
传感器暴露在高浓度的腐蚀性气体(如H2S,SOX,Cl2,HCl等)中,不仅会引起加热材料及传感器引线的腐蚀或破坏,并会引起敏感材料性能发生不可逆的改变。
1.3 碱、碱金属盐、卤素的污染
传感器被碱金属尤其是盐水喷雾污染后,及暴露在卤素如氟中也会引起性能劣变。
1.4 接触到水
溅上水或浸到水中会造成敏感特性下降。
1.5 结冰
水在敏感元件表面结冰会导致敏感材料碎裂而丧失敏感特性。
1.6 施加电压过高
如果给敏感元件或加热器施加的电压高于规定值,即使传感器没有受到物理损坏或破坏,也会造成引线和/或加热器损坏,并引起传感器敏感特性下降。
2 尽可能避免的情况
2.1 凝结水
在室内使用条件下,轻微凝结水会对传感器性能会产生轻微影响。但是,如果水凝结在敏感元件表面并保持一段时间,传感器特性则会下降。
2.2 处于高浓度气体中
无论传感器是否通电,在高浓度气体中长期放置,都会影响传感器特性。
2.3 长期贮存
传感器在不通电情况下长时间贮存,其电阻会产生可逆性漂移,这种漂移与贮存环境有关。传感器应贮存在有清洁空气不含硅胶的密封袋中。经长期不通电贮存的传感器,在使用前需要长时间通电以使其达到稳定。
2.4 长期暴露在极端环境中
无论传感器是否通电,长时间暴露在极端条件下,如高湿、高温、或高污染等极端条件,传感器性能将受到严重影响。
2.5振动
频繁、过度振动会导致敏感元件引线产生共振而断裂。在运输途中及组装线上使用气动改锥/超声波焊接机会产生这种振动。
2.6 冲击
如果传感器受到强烈冲击会导致其引线断线。
2.7 使用
对传感器来说手工焊接是最理想的焊接方式。使用波峰焊是应满足以下条件:
2.7.1 助焊剂:含氯最少的松香助焊剂
2.7.2 速度:1-2米/分钟
2.7.3 预热温度:100±20℃
2.7.4 焊接温度:250±10℃
2.7.5 1次通过波峰焊机
违反以上使用条件将使传感器特性下降!