网站首页
关于柯力
企业概况
发展历程
柯力文化
公司战略
研发实力
公司荣誉
联系我们
产品与应用
智能传感器
仪表
工业物联网解决方案
服务与支持
资料下载
国内外认证
销售服务
研讨会、巡回服务
客户反馈
生态投资
产业生态投资
投资意向申请
产业园平台
集团化管理
信息发布
柯力新闻
通知公告
媒体报道
投资者关系
公司公告
股票信息
人才发展
柯力之星
人才招聘
人才培训
产品
资料
国内外认证
产业大脑
柯力OA
English
产品与应用
以力学起步融合多物理技术发展多品种传感器
当前位置:
首页
>
产品与应用
>
智能传感器
>
力传感器
>
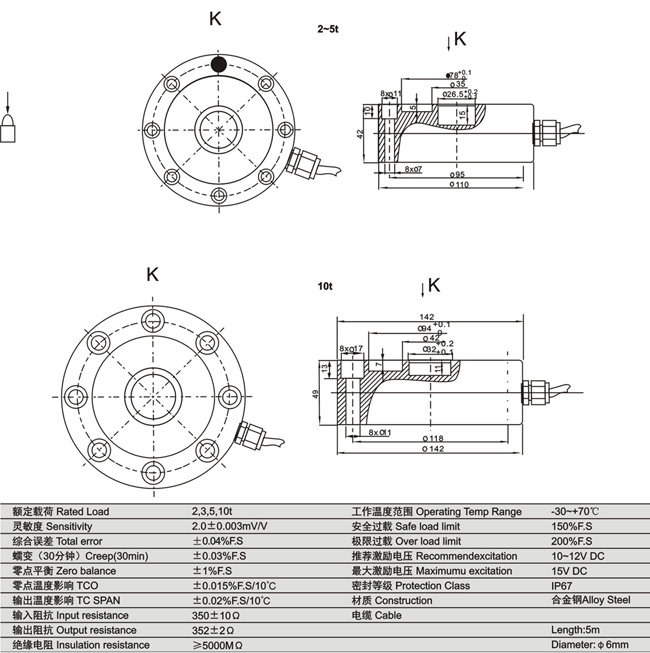
圆板轮辐式
LFSG
产品类型:
应变式传感器
产品型号:
LFSG
声明:
柯力传感保留更改产品设计、规格、参数的权利及资料信息的最终 解释权。欲了解更多关于柯力产品的信息,请致电柯力公司,索取更多详 细的技术资料。
留言
Tel:400-8874165
产品详细信息